為800V應用選擇合適的半導體技術
面向AI數據中心高壓中間母線轉換器應用的橫向GaN HEMT、SiC MOSFET與SiC Cascode JFET的對比
摘要
隨著AI數據中心向更高功率密度和更高效能源分配演進,高壓中間母線轉換器(HV IBC)正逐漸成為下一代云計算供電架構中的關鍵器件。本文針對橫向GaN HEMT、碳化硅MOSFET及SiC Cascode JFET(CJFET)三類寬禁帶功率器件,在近1 MHz高頻開關條件下用于高壓母線轉換器的性能展開對比分析。重點評估了導通損耗、開關特性、柵極電荷損耗及緩沖電路需求等關鍵指標。同時,本文亦探討了三種諧振轉換器拓撲——堆疊式LLC、單相LLC與三相LLC——對其系統效率與元件數量的影響。仿真結果表明,盡管三類半導體器件的系統總損耗相近,但CJFET因結構簡單、驅動便捷,在成本方面具備顯著優勢。在拓撲比較中,三相LLC通過有效降低RMS電流并減少元件數量,表現出更優的綜合性能。本研究為未來高壓IBC設計中半導體選型與拓撲配置提供了理論依據,安森美(onsemi)正開展相關實驗驗證工作。
引言
當前,云計算供電架構正朝著更高傳輸電壓的方向演進。這一趨勢不僅體現在數據中心與電網的連接方式上——將通過固態變壓器直接接入中壓電網,也體現在數據中心內部的電力分配系統中——其正逐步轉向高壓直流配電架構。在該架構下,計算托盤將直接連接至800V直流母線,隨后通過高壓IBC將電壓降至50V或12V,為下游負載供電。
高壓IBC具備以下關鍵特性:
實現電壓降壓(16:1或64:1變換比)
提供電氣隔離以保障安全
非穩壓輸出
具備短時過載能力
超緊湊的外形尺寸
轉換效率高
本白皮書將重點圍繞實現上述目標的轉換器拓撲結構與半導體技術展開探討。內容主要聚焦于原邊的拓撲選擇與半導體器件;副邊假定采用低壓硅基MOSFET,并配置為中心抽頭電流倍增器或全橋結構。
半導體技術
為滿足高壓IBC在小型化設計中無源元件的布局要求,系統需以極高的開關頻率(接近1 MHz)運行。因此可選的半導體器件被限定為寬禁帶器件,主要包括:氮化鎵高電子遷移率晶體管(GaN HEMT)、碳化硅金屬氧化物半導體場效應晶體管(SiC MOSFET)以及SiC Cascode JFET(CJFET)。在本應用中,上述器件的關鍵評估指標集中于導通損耗、開關特性與成本三個方面。
導通損耗
這三種器件在導通狀態下均可用電阻Rds,on來表征(與IGBT等具有恒定導通壓降的器件不同)。因此,其導通損耗與流經電流的平方成正比:
Pcon=Rds,on × I2ds
(方程1)
Rds,on會隨溫度升高而增加,其標稱值僅適用于25℃的結溫。下表對比了典型GaN器件、安森美(onsemi)M3S 650 V器件以及安森美第四代CJFET 750 V器件的導通電阻隨溫度上升的情況。
表1. 不同結溫下的Rds,on值

在為特定應用確定正確的Rds,on值時,必須考慮這種增加。
開關特性
在“轉換器拓撲”一節中探討的所有拓撲結構均受益于軟開關特性,其固定電流可在轉換器設計階段進行優化。在開關轉換瞬間,諧振電流為零,僅勵磁電流流通,而該電流可通過調整變壓器勵磁電感(例如改變氣隙)等參數靈活控制。因此,三種半導體技術在開關過程中產生的損耗可忽略不計。然而,其寄生電容仍顯著影響開關軌跡。
影響開關特性的主要差異源于器件的輸出電容(COSS)。通常,SiC MOSFET具有較大的COSS,這是由于其需要更大的裸芯尺寸才能實現與GaN HEMT或SiC CJFET相當的導通電阻(Rds,on),如表2所示。該電容與勵磁電流共同決定了半導體器件的開關轉換速度。

(方程2)
在此過渡階段,轉換器不傳輸任何功率。因此,將其保持在整個開關周期的較小比例更為有利。對方程(2)進行時間變量積分并求解勵磁電流,可得到方程(3)。

(方程 3)
該方程可用于計算在給定時間(td)內,根據半導體器件的電容(COSS)完成電壓轉換所需的勵磁電流(Im)。表2列出了各半導體技術對應的結果。
達到該勵磁電流所需的勵磁電感,可通過以下方式推導:對施加在變壓器原邊的電壓(該電壓由副邊反射而來)進行積分,再除以所需的勵磁電流,如方程(4)所示。

(方程 4)
其中Vout為輸出電壓,n為變壓器變比,?r為開關(諧振)頻率。表2列出了三種半導體技術對應的勵磁電感值。
其次,在計算損耗時,還需考慮驅動半導體器件導通所需的柵極電荷所引起的輔助損耗。該電荷值通常在器件數據手冊中給出,將所需柵極電荷乘以柵源電壓VGS,即可得到存儲在柵極上的能量。該能量在器件每個開關周期關斷時耗散一次。存儲能量乘以開關頻率即為因放電導致的功率損耗(PG)。此外,柵極電容充電過程中還存在柵極驅動器和電阻產生的額外損耗,本文暫不討論。表2給出了三種半導體配置對應的上述損耗值:SiC MOSFET因柵極導通電壓高、柵極電荷大,其柵極損耗顯著;相比之下,CJFET的柵極損耗約為SiC MOSFET的一半,這得益于其較低的柵極驅動電壓以及由低壓MOSFET(由驅動器直接驅動)所帶來的較小柵極電荷;而GaN器件表現最優,其柵極電荷損耗比前兩者小10~20倍。
表2. 一個25mΩ器件,在以下條件下運行的參數對比:?r=750 kHz,Vout=12.5 V,n=16,Vdc=400 V,td=100 ns)

緩沖電路(Snubber)
在快速開關過程中,CJFET可能因寄生電感、電容與快速電壓變化的相互作用而產生振鈴現象。盡管該拓撲有助于抑制米勒效應并提升帶寬,但同時會引入易引發諧振的高阻抗節點。因此,精心優化的PCB布局與有效的抑制措施對于控制此類振鈴尤為關鍵,常見方法是在晶體管兩端并聯緩沖電路。
然而,此類振鈴現象主要源于CJFET在硬開關過程中半導體器件間的快速切換。當CJFET用于軟開關應用時,該問題可得到顯著緩解。圖1展示了CJFET在500kHz LLC諧振轉換器中運行時的實測結果。

圖1. CJFET在LLC諧振轉換器中工作時的漏源電壓實測波形
測量在LLC運行開始時進行。由于運行初始階段勵磁電感未充電,首次換流是硬開關方式。因此,在未并聯緩沖電路的情況下,CJFET的漏源極電壓會產生振鈴現象。然而,僅經過兩個開關周期后,勵磁電流便已足夠大,能夠實現開關的換流。此后,無論是否使用緩沖電路,實測波形幾乎無明顯差異。
對于CJFET而言,無需額外配置緩沖電路具有顯著優勢:不僅節省了PCB面積和物料成本,又能消除轉換器設計中的一個損耗來源。
損耗
為基于損耗對比三種半導體器件的性能,需進行系統級仿真。例如,更大的輸出電容(COSS)需更大的勵磁電流,從而增加變壓器銅損。圖2展示了堆疊式LLC轉換器的總損耗,包括磁芯損耗、銅損、柵極驅動損耗以及開關與導通損耗,其中所仿真的轉換器與“轉換器拓撲”一節中所述的規格和設計相匹配。
三種器件的總損耗對比結果顯示其性能幾乎相同。為深入分析,圖3進一步給出了按損耗來源分解的結果。該分解表明,在此轉換器中,半導體技術的選擇對整體損耗影響甚微:GaN HEMT雖柵極驅動損耗較低,但其較高的導通電阻導致導通損耗增加,最終使各類器件的整體表現趨于一致。

圖2. 采用不同原邊開關器件的堆疊式LLC轉換器系統損耗

圖3. 采用不同原邊開關器件的堆疊式LLC轉換器在標稱功率下的系統損耗來源分解
各損耗來源顏色標識如下:磁芯損耗:暗紅色;PCB繞組銅損:淺藍色;副邊柵極電荷損耗:綠色;副邊導通損耗:紫色;原邊柵極電荷損耗:橙色;原邊導通損耗:深藍色
轉換器拓撲
諧振式轉換器拓撲具有超高的功率密度,但代價是在寬輸入或輸出電壓范圍內效率降低。由于高壓IBC具有固定的輸入輸出電壓比以及對超高功率密度的需求,因此諧振拓撲非常適合此類應用。
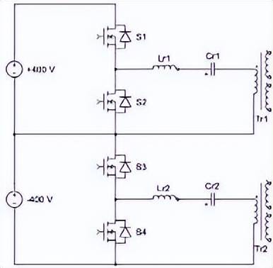
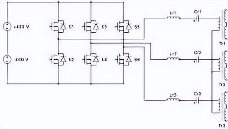
諧振拓撲存在多種方案,本研究將對其中的三種進行探討,如圖4所示。圖4a展示了一種堆疊式LLC轉換器(sC),其主要優勢在于可采用650V級別的開關器件實現高壓IBC。圖4b所示為單相LLC轉換器(1pC),其原邊使用的器件數量最少。圖4c展示了一種三相LLC轉換器(3pC),它得益于三相拓撲固有的更低RMS電流和電壓紋波,可縮小元器件的尺寸。

sC的原邊

1pC的原邊

3pC的原邊
圖4. 本研究中探討的三種轉換器拓撲原邊電路
系統規格
本研究基于仿真結果對三種拓撲結構及半導體技術進行對比分析。仿真采用PLECS軟件平臺,基于安森美針對CJFET和SiC MOSFET的Elite Power仿真工具,以及通用橫向GaN模型。表3列出了本次仿真所用的高壓IBC規格參數。
表3. 本次分析中使用的高壓IBC規格參數

采用sC和1pC的高壓IBC系統將拆分為兩個轉換器,各承擔一半標稱功率(每臺6kW)。此舉旨在將原邊RMS電流降至可控水平(詳見下面轉換器物料清單章節)。3pC方案將通過一臺12kW轉換器實現。
轉換器損耗
三種拓撲結構的損耗如圖5所示。

輸出功率(kW)
圖5. 采用不同原邊開關器件的sC系統損耗
sC與1pC的損耗特性較為相似。兩者均在約50%標稱功率處出現損耗的躍升。這是因為在該功率點,構成12 kW系統的兩個變換器單元中的第二個轉換單元投入運行,導致磁芯損耗和柵極電荷輔助損耗翻倍。而3pC的損耗隨功率增加上升較為平緩,這得益于三相拓撲本身所具有的更低RMS電流特性。然而,在低功率條件下,由于所有變壓器和副邊開關器件持續運行,其損耗相較于sC和1pC更高。這一特性亦可從圖6所示的損耗細分中得到印證。

圖6. 研究的三種拓撲結構系統損耗分解。上圖顯示3 kW時的損耗,下圖顯示12 kW時的損耗。
各損耗來源顏色標識如下:磁芯損耗:暗紅色;PCB繞組銅損:淺藍色;副邊柵極電荷損耗:綠色;副邊導通損耗:紫色;原邊柵極電荷損耗:橙色;原邊導通損耗:深藍色
表4. 12kW轉換器系統物料清單

轉換器物料清單(BOM)
采用前述三種拓撲結構的12 kW轉換器系統的物料清單如表4所示。
盡管1pC所需的原邊器件數量最少,但整體器件總數最少的方案卻是3pC。這得益于三相拓撲固有的較低RMS電流特性,不僅減少了副邊器件數量,也簡化了變壓器設計。
sC每個轉換單元使用兩個矩陣式變壓器,整個12 kW系統共需四個變壓器。每個變壓器包含八個基本變壓器單元,總計達32個單元。而1pC的配置則不同:每個轉換器僅需一個變壓器,但由于其所需變壓比高于sC,該變壓器的單元數量需翻倍。
而3pC僅需三個變壓器,每個包含八個基本單元,是三種方案中基本變壓器單元數量最少的。
此外,在輸出電容需求方面,3pC也具有明顯優勢。相比之下,1pC所需的電容尺寸過大,幾乎無法滿足合理設計的要求。
結語
本研究探討的三種半導體技術(GaN HEMT、SiC MOSFET、SiC CJFET)在高壓IBC應用中表現幾乎一致。由于諧振拓撲的軟開關特性,它們的開關損耗差異影響甚微。通過合理選擇勵磁電感,可規避其寄生電容差異帶來的影響。最后,各技術間的損耗差異微乎其微,因此成本將成為關鍵決策因素。CJFET憑借簡化的器件結構實現高效制造工藝,在成本效益方面顯著優于其他技術。
相較于sC和1pC,3pC憑借其更低的RMS電流具有顯著優勢,減少了物料清單中的元件數量(特別是副邊開關器件和變壓器組件)。這些優勢可在轉換器設計中靈活利用——既可用于提升功率密度,也可通過增大單個器件尺寸(例如采用更大的變壓器磁芯以降低峰值磁通密度,從而減少磁芯損耗)來進一步優化性能。
上述仿真結果將通過安森美正在開發的高壓IBC硬件實測數據進行驗證。